首  页   |   公司简介  |  张力控制简述  |  产品展示  |  应用示例  |  联系方式 

产 品 介 绍

 
 
 
 
 
 

公 司 动 态

招聘

钳工: 2人,技校中专以上学历。
电子工程师:1人,电子专业 大专以上学历。

业务员若干名。


产品展示
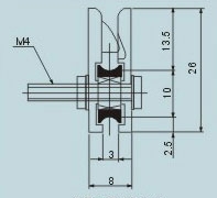
  产品名称: 防跳线器    
  详细说明: 其中间瓷轮由超精抛光制成,配有高速轴承,使绕线时跳动在很小范围内,保持了绕线时张力的稳定性。  

 

 

用    途:

用于绕线时防止跳线,其中间瓷轮由超精抛光制成,配有高速轴承,使绕线时跳动在很小范围内,保持了绕线时张力的稳定性。

   
               
           
    XT-001          
               
           
    XT-002          
               
           
    XT-003          
               
           
    XT-004          
               
           
    XT-005          
               
公司地址:广东东莞石碣工业区

手机: ( 0 )13612681448

电话: 0769--26165528

电子邮件:13612681448@126.com